歡迎來到,廈門普利得汽車電子有限公司官網!
免費谘詢電話:
PRODUCTS
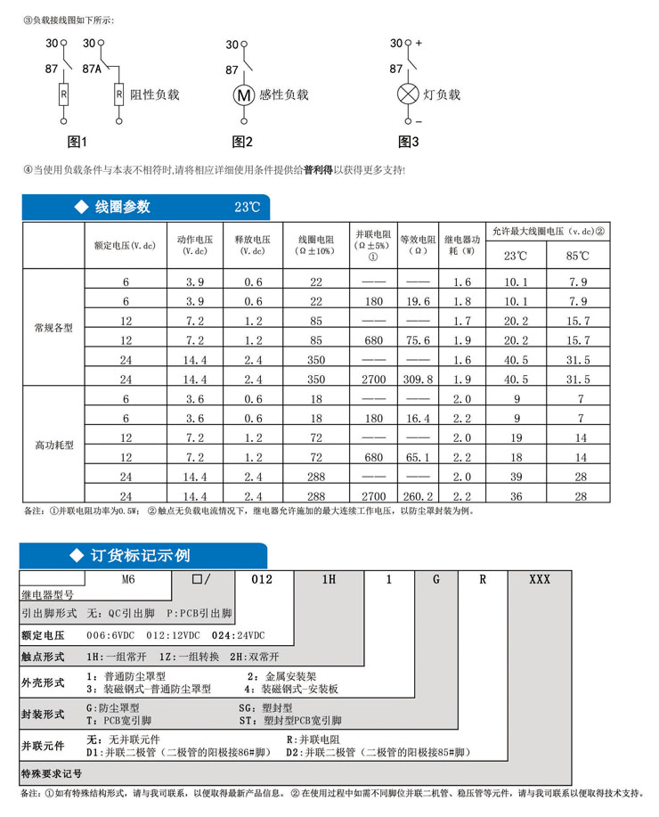
特性: · ●60A觸點切換能力 · ●具有常開、轉換2種觸點形式 · ●多種安裝方式 · ●多種工作電壓 · ●符合RoHS、ELV指令 典型應用: 後窗除霧器、電池斷路裝置、汽車空調、油泵控製、喇叭控製 冷卻風扇控製、霧燈/大燈控製、防抱死製動(ABS)等
貼心導航:啟動繼電器 磁吹繼電器 固態繼電器 高壓繼電器
CopyRight © by Xiamen PLID Automotive Electronics Co.,Ltd. All Rights Reserved 網站備案號:閩ICP備09034292號